Home
Brand
SKF
IKO
INA
FAG
KOYO
TIMKEN
NSK
NTN
PRECISION BEARINGS
MCGILL
THK
About us
Contact us
News
Search
Home
>
Brand
>
NTN
>
Ball Bearings
>
Angular Contact Ball Bearings
>
Precision Angular Contact Ball Bearings
>
Single Angular Contact Ball Bearings - Ultage Type
7019U
MORE +
CLOSE +
NTN 7019U
Single Angular Contact Ball Bearings - Ultage Type
(BRAND):NTN
(Availability):In Stock
(EMAIL):info@noksbearings.com
Detailed data of Product
similar to product
Detailed data of
7019U
Single Angular Contact Ball Bearings - Ultage Type
Technical Specifications
Type
Angular Contact Ball Bearing
Bore Type
Round
Material
High Carbon Chrome Steel
Cage Type
High Strength, 2 piece, Machined
Cage Material
Brass
Ball Material
Steel
Limiting Speed - Oil
9800 RPM
Limiting Speed - Grease
7200 RPM
Configuration
One
Static Load Rating
70000 N
Dynamic Load Rating
69000 N
Enclosure
Open
Weight
1.220 kg
Operating Temperature Range
-40 to 120 ºC
Dimensional Specifications
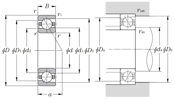
d
95.000 mm
D
145.000 mm
B
24.000 mm
d1
111.900 mm
d2
108.000 mm
D1
128.200 mm
D2
136.000 mm
r
1.500 mm
r1
0.600 mm
Contact Angle
30 º
a (Load Center)
46.800 mm
da min
103.500 mm
Da max
136.500 mm
Db max
139.500 mm
ras max
1.500 mm
r1as max
1.000 mm
Double Row Width
48.000 mm
Triple Row Width
72.000 mm
Quadruple Row Width
96.000 mm
Similar to product
7019U
Single Angular Contact Ball Bearings - Ultage Type
Smooth Drive Technology with Cylindrical Roller Bearing
Shell
News
When a machine has a smooth drive, it moves without making any noise or bumps. So, even when going very...
Read More
High-Performance Needle Roller Bearings for Heavy Loads
Shell
News
Needle roller bearings are small parts that are very strong. They help machines move and work every day....
Read More
Buy Durable Stainless Steel Ball Bearings for Better Quality
Shell
News
Durable and long-lasting stainless steel ball bearings are the exact choice for keeping the machine running...
Read More
Precision Bearings Distributor: Tailored Solution, Expertise
Shell
News
Machines keep the world working. From trains to tools, every machine needs bearings. Bearings help them...
Read More
Buy Sealed Needle Roller bearings for Industrial Solutions
Shell
Brand
Sealed needle roller bearings are the exact quality bearings that are suitable for various types of industrial...
Read More
High Precision Bearings for Enhanced Industrial Performance
Shell
News
Machines have numerous small parts, but some are more crucial than others. High precision bearings are...
Read More
Durable Hydraulic Seals for Hydraulic Systems and Equipment
Shell
News
Durable hydraulic seals keep the lubricant fluid inside and resist the dirt to enter the water. It protects...
Read More
Durable Spherical Roller Bearings for Heavy Machinery
Shell
News
Spherical roller bearings are the main part that keeps the machine running smoothly. For the long projects...
Read More
RAU 20013 Cross-Roller Bearing
Shell
Model RA Interchangeable Type SERIES
Read More
RAU 19013 Cross-Roller Bearing
Shell
Model RA Interchangeable Type SERIES
Read More