15245PX5
MORE +
CLOSE +

NTN 15245PX5

Cup for Tapered Roller Bearing - Inch Series and J Series

(BRAND):NTN
(Availability):In Stock

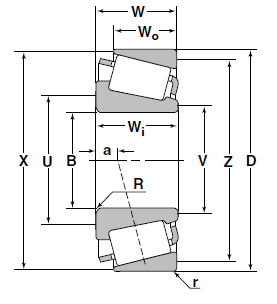
Technical Specifications

Type Bearing Cup
Material Case Carburized Steel
Weight 0.081 kg

Dimensional Specifications

D 62.000 mm
Wo 14.288 mm
W 19.050 mm
r 1.300 mm
X 58.0 mm
Z 55.0 mm