LM241110D
MORE +
CLOSE +

NTN LM241110D

Cup for Tapered Roller Bearing - Inch Series and J Series

(BRAND):NTN
(Availability):In Stock

Technical Specifications

Type Bearing Cup
Material Case Carburized Steel
Weight 9.520 kg

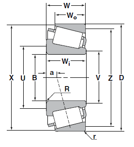
Dimensional Specifications

D 276.225 mm
Wo 73.025 mm
W 90.485 mm
r 0.800 mm