313824A
MORE +
CLOSE +
/wp-content/uploads/2025/4CR120_1.png
(BRAND):KOYO
(Availability):In Stock

Detailed data of

313824A

Specifications
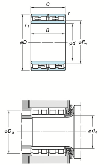
(Boundary dimensions ...etc)

d 230 mm
D 330 mm
B 206 mm
C 206 mm
Fw 260 mm
r(min.) 2.1 mm
r1(min.) 2.1 mm
Basic load ratings : Cr 2020 kN
Basic load ratings : C0r 3980 kN
Fatigue load limit : Cu 450 kN

Mounting dimensions

da(min.) 242 mm
Da(max.) 318 mm
da(min.) 308 mm
ra(max.) 2 mm
rb(max.) 2 mm

Refer.

(Refer.)Mass 57.5 kg

Similar to product

313824A