Home
Brand
SKF
IKO
INA
FAG
KOYO
TIMKEN
NSK
NTN
PRECISION BEARINGS
MCGILL
THK
About us
Contact us
News
Search
Home
>
Brand
>
KOYO
>
Rolling mill roll neck bearings
313924
MORE +
CLOSE +
/wp-content/uploads/2025/4CR120_1.png
Koyo 313924
Rolling mill roll neck bearings
(BRAND):KOYO
(Availability):In Stock
(EMAIL):info@noksbearings.com
Detailed data of Product
similar to product
Detailed data of
313924
Rolling mill roll neck bearings
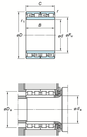
Specifications
(Boundary dimensions ...etc)
d
145 mm
D
225 mm
B
156 mm
C
156 mm
Fw
169 mm
r(min.)
2 mm
r1(min.)
2 mm
Basic load ratings : Cr
982 kN
Basic load ratings : C0r
1680 kN
Fatigue load limit : Cu
219 kN
Mounting dimensions
da(min.)
155 mm
Da(max.)
215 mm
da(min.)
205 mm
ra(max.)
2 mm
rb(max.)
2 mm
Refer.
(Refer.)Mass
22.9 kg
Similar to product
313924
Rolling mill roll neck bearings
4TR750
Shell
Rolling mill roll neck bearings
Read More
4TR750A
Shell
Rolling mill roll neck bearings
Read More
4TR760
Shell
Rolling mill roll neck bearings
Read More
4TR762
Shell
Rolling mill roll neck bearings
Read More
M284249D/210/210XD
Shell
Rolling mill roll neck bearings
Read More
4TR785B
Shell
Rolling mill roll neck bearings
Read More
4TR800
Shell
Rolling mill roll neck bearings
Read More
M285848D/10/10D
Shell
Rolling mill roll neck bearings
Read More
4TR840
Shell
Rolling mill roll neck bearings
Read More
LM286249D/210/210D
Shell
Rolling mill roll neck bearings
Read More