40FC28190A
MORE +
CLOSE +
/wp-content/uploads/2025/4CR120_1.png
(BRAND):KOYO
(Availability):In Stock

Detailed data of

40FC28190A

Specifications
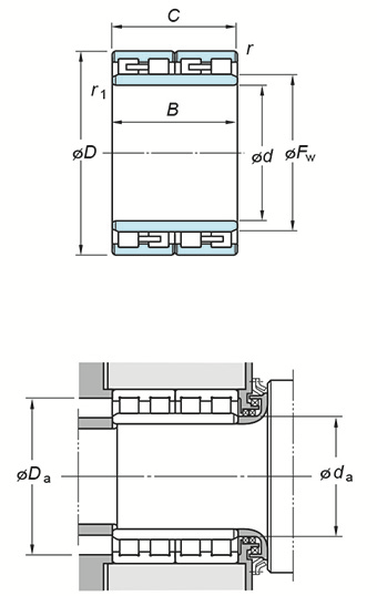
(Boundary dimensions ...etc)

d 200 mm
D 280 mm
B 190 mm
C 190 mm
Fw 223 mm
r(min.) 3 mm
r1(min.) 3 mm
Basic load ratings : Cr 1560 kN
Basic load ratings : C0r 3100 kN
Fatigue load limit : Cu 359 kN

Mounting dimensions

da(min.) 214 mm
Da(max.) 266 mm
da(min.) 263 mm
ra(max.) 2.5 mm
rb(max.) 2.5 mm

Refer.

(Refer.)Mass 36.0 kg

Similar to product

40FC28190A