40FC28200
MORE +
CLOSE +
/wp-content/uploads/2025/4CR120_1.png
(BRAND):KOYO
(Availability):In Stock

Detailed data of

40FC28200

Specifications
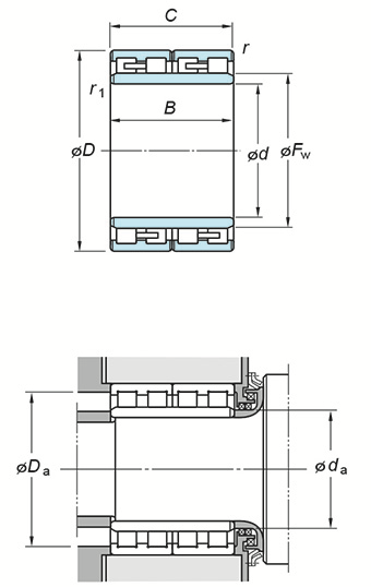
(Boundary dimensions ...etc)

d 200 mm
D 280 mm
B 200 mm
C 200 mm
Fw 224 mm
r(min.) 2.1 mm
r1(min.) 2.1 mm
Basic load ratings : Cr 1560 kN
Basic load ratings : C0r 3330 kN
Fatigue load limit : Cu 388 kN

Mounting dimensions

da(min.) 212 mm
Da(max.) 268 mm
da(min.) 260 mm
ra(max.) 2 mm
rb(max.) 2 mm

Refer.

(Refer.)Mass 38.7 kg

Similar to product

40FC28200