48FC34200
MORE +
CLOSE +
/wp-content/uploads/2025/4CR120_1.png
(BRAND):KOYO
(Availability):In Stock

Detailed data of

48FC34200

Specifications
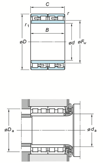
(Boundary dimensions ...etc)

d 240 mm
D 340 mm
B 200 mm
C 200 mm
Fw 266 mm
r(min.) 3 mm
r1(min.) 3 mm
Basic load ratings : Cr 2020 kN
Basic load ratings : C0r 3780 kN
Fatigue load limit : Cu 432 kN

Mounting dimensions

da(min.) 254 mm
Da(max.) 326 mm
da(min.) 318 mm
ra(max.) 2.5 mm
rb(max.) 2.5 mm

Refer.

(Refer.)Mass 56.3 kg

Similar to product

48FC34200