52FC36230D
MORE +
CLOSE +
/wp-content/uploads/2025/4CR120_1.png
(BRAND):KOYO
(Availability):In Stock

Detailed data of

52FC36230D

Specifications
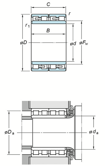
(Boundary dimensions ...etc)

d 260 mm
D 360 mm
B 230 mm
C 230 mm
Fw 292 mm
r(min.) 2.1 mm
r1(min.) 2.1 mm
Basic load ratings : Cr 2160 kN
Basic load ratings : C0r 4790 kN
Fatigue load limit : Cu 515 kN

Mounting dimensions

da(min.) 272 mm
Da(max.) 348 mm
da(min.) 336 mm
ra(max.) 2 mm
rb(max.) 2 mm

Refer.

(Refer.)Mass 72.6 kg

Similar to product

52FC36230D