52FC36260
MORE +
CLOSE +
/wp-content/uploads/2025/4CR120_1.png
(BRAND):KOYO
(Availability):In Stock

Detailed data of

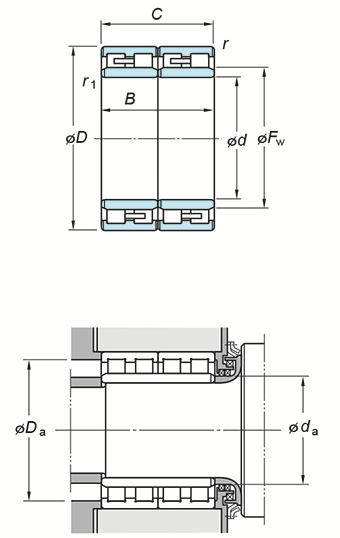
52FC36260

Specifications
(Boundary dimensions ...etc)

d 260 mm
D 360 mm
B 260 mm
C 260 mm
Fw 287 mm
r(min.) 2.1 mm
r1(min.) 2.1 mm
Basic load ratings : Cr 2470 kN
Basic load ratings : C0r 5320 kN
Fatigue load limit : Cu 579 kN

Mounting dimensions

da(min.) 272 mm
Da(max.) 348 mm
da(min.) 335 mm
ra(max.) 2 mm
rb(max.) 2 mm

Refer.

(Refer.)Mass 80.0 kg

Similar to product

52FC36260