60FC40300A
MORE +
CLOSE +
/wp-content/uploads/2025/4CR120_1.png
(BRAND):KOYO
(Availability):In Stock

Detailed data of

60FC40300A

Specifications
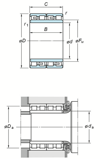
(Boundary dimensions ...etc)

d 300 mm
D 400 mm
B 300 mm
C 300 mm
Fw 328 mm
r(min.) 3 mm
r1(min.) 3 mm
Basic load ratings : Cr 3130 kN
Basic load ratings : C0r 7310 kN
Fatigue load limit : Cu 746 kN

Mounting dimensions

da(min.) 314 mm
Da(max.) 386 mm
da(min.) 378 mm
ra(max.) 2.5 mm
rb(max.) 2.5 mm

Refer.

(Refer.)Mass 103 kg

Similar to product

60FC40300A