62FC42300
MORE +
CLOSE +
/wp-content/uploads/2025/4CR120_1.png
(BRAND):KOYO
(Availability):In Stock

Detailed data of

62FC42300

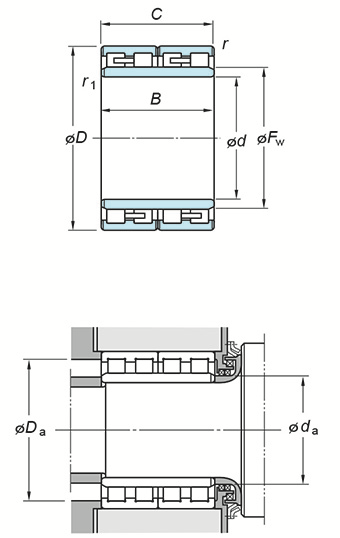
Specifications
(Boundary dimensions ...etc)

d 310 mm
D 420 mm
B 300 mm
C 300 mm
Fw 338 mm
r(min.) 3 mm
r1(min.) 3 mm
Basic load ratings : Cr 3320 kN
Basic load ratings : C0r 7370 kN
Fatigue load limit : Cu 754 kN

Mounting dimensions

da(min.) 324 mm
Da(max.) 406 mm
da(min.) 394 mm
ra(max.) 2.5 mm
rb(max.) 2.5 mm

Refer.

(Refer.)Mass 119 kg

Similar to product

62FC42300