66FC44200W
MORE +
CLOSE +
/wp-content/uploads/2025/4CR120_1.png
(BRAND):KOYO
(Availability):In Stock

Detailed data of

66FC44200W

Specifications
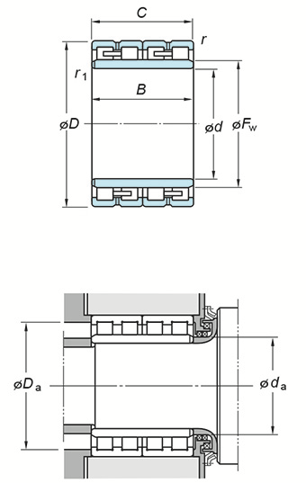
(Boundary dimensions ...etc)

d 330 mm
D 440 mm
B 200 mm
C 200 mm
Fw 360 mm
r(min.) 3 mm
r1(min.) 5 mm
Basic load ratings : Cr 2200 kN
Basic load ratings : C0r 4670 kN
Fatigue load limit : Cu 490 kN

Mounting dimensions

da(min.) 352 mm
Da(max.) 426 mm
da(min.) 412 mm
ra(max.) 2.5 mm
rb(max.) 4 mm

Refer.

(Refer.)Mass 83.0 kg

Similar to product

66FC44200W