Home
Brand
SKF
IKO
INA
FAG
KOYO
TIMKEN
NSK
NTN
PRECISION BEARINGS
MCGILL
THK
About us
Contact us
News
Search
Home
>
Brand
>
KOYO
>
Rolling mill roll neck bearings
68FC49300A
MORE +
CLOSE +
/wp-content/uploads/2025/4CR120_1.png
Koyo 68FC49300A
Rolling mill roll neck bearings
(BRAND):KOYO
(Availability):In Stock
(EMAIL):info@noksbearings.com
Detailed data of Product
similar to product
Detailed data of
68FC49300A
Rolling mill roll neck bearings
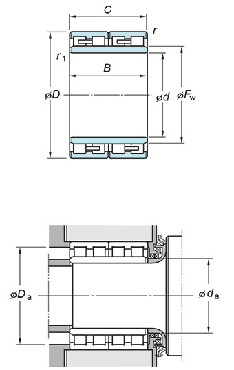
Specifications
(Boundary dimensions ...etc)
d
340 mm
D
490 mm
B
300 mm
C
300 mm
Fw
379 mm
r(min.)
5 mm
r1(min.)
5 mm
Basic load ratings : Cr
3950 kN
Basic load ratings : C0r
7850 kN
Fatigue load limit : Cu
797 kN
Mounting dimensions
da(min.)
362 mm
Da(max.)
468 mm
da(min.)
453 mm
ra(max.)
4 mm
rb(max.)
4 mm
Refer.
(Refer.)Mass
182 kg
Similar to product
68FC49300A
Rolling mill roll neck bearings
4TR750
Shell
Rolling mill roll neck bearings
Read More
4TR750A
Shell
Rolling mill roll neck bearings
Read More
4TR760
Shell
Rolling mill roll neck bearings
Read More
4TR762
Shell
Rolling mill roll neck bearings
Read More
M284249D/210/210XD
Shell
Rolling mill roll neck bearings
Read More
4TR785B
Shell
Rolling mill roll neck bearings
Read More
4TR800
Shell
Rolling mill roll neck bearings
Read More
M285848D/10/10D
Shell
Rolling mill roll neck bearings
Read More
4TR840
Shell
Rolling mill roll neck bearings
Read More
LM286249D/210/210D
Shell
Rolling mill roll neck bearings
Read More