UCFC207
MORE +
CLOSE +
/wp-content/uploads/2025/Ball bearing unitsRound-flanged type with spigot joint.png

Koyo UCFC207

(BRAND):KOYO
(Availability):In Stock

Detailed data of

UCFC207

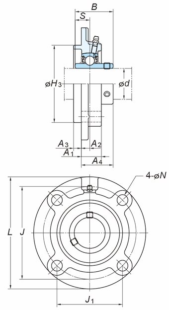
Specifications
(Boundary dimensions ...etc)

d 35 mm
L 135 mm
H3 90 mm
J 110 mm
J1 77.8 mm
A1 26 mm
A2 11 mm
A3 8 mm
A4 36.4 mm
N 14 mm
B 42.9 mm
S 17.5 mm
Bolt size M12
Basic load ratings : Cr 25.7 kN
Basic load ratings : C0r 15.4 kN
Fatigue load limit : Cu 0.700 kN
factor : f0 13.9
Nipple size 1/4-28UNF

Mounting dimensions

Refer.

(Refer.)Unit mass 1.7 kg

Similar to product

UCFC207