UCFC217
MORE +
CLOSE +
/wp-content/uploads/2025/Ball bearing unitsRound-flanged type with spigot joint.png

Koyo UCFC217

(BRAND):KOYO
(Availability):In Stock

Detailed data of

UCFC217

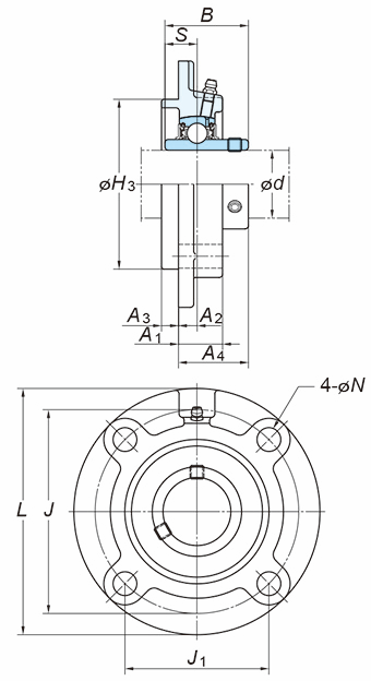
Specifications
(Boundary dimensions ...etc)

d 85 mm
L 250 mm
H3 180 mm
J 208 mm
J1 147.1 mm
A1 45 mm
A2 18 mm
A3 18 mm
A4 69.6 mm
N 23 mm
B 85.7 mm
S 34.1 mm
Bolt size M20
Basic load ratings : Cr 84.0 kN
Basic load ratings : C0r 61.9 kN
Fatigue load limit : Cu 2.60 kN
factor : f0 14.5
Nipple size R1/8

Mounting dimensions

Refer.

(Refer.)Unit mass 10.3 kg

Similar to product

UCFC217