UCFCX11
MORE +
CLOSE +
/wp-content/uploads/2025/Ball bearing unitsRound-flanged type with spigot joint.png

Koyo UCFCX11

(BRAND):KOYO
(Availability):In Stock

Detailed data of

UCFCX11

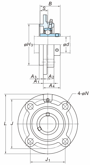
Specifications
(Boundary dimensions ...etc)

d 55 mm
L 180 mm
H3 127 mm
J 152 mm
J1 107.5 mm
A1 26 mm
A2 4 mm
A3 22 mm
A4 43.7 mm
N 16 mm
B 65.1 mm
S 25.4 mm
Bolt size M14
Basic load ratings : Cr 52.4 kN
Basic load ratings : C0r 36.2 kN
Fatigue load limit : Cu 1.65 kN
factor : f0 14.4
Nipple size R1/8

Mounting dimensions

Refer.

(Refer.)Unit mass 4.3 kg

Similar to product

UCFCX11