UCFL315
MORE +
CLOSE +
/wp-content/uploads/2025/Ball bearing unitsRhombic-flanged type.png

Koyo UCFL315

(BRAND):KOYO
(Availability):In Stock

Detailed data of

UCFL315

Specifications
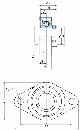
(Boundary dimensions ...etc)

d 75 mm
H 320 mm
L 195 mm
A 66 mm
J 260 mm
N 35 mm
A1 30 mm
A2 39 mm
A3 89 mm
B 82 mm
S 32 mm
Bolt size M30
Basic load ratings : Cr 113 kN
Basic load ratings : C0r 77.2 kN
Fatigue load limit : Cu 3.24 kN
factor : f0 13.2
Nipple size R1/8

Mounting dimensions

Refer.

(Refer.)Unit mass 11.3 kg

Similar to product

UCFL315