Home
Brand
SKF
IKO
INA
FAG
KOYO
TIMKEN
NSK
NTN
PRECISION BEARINGS
MCGILL
THK
About us
Contact us
News
Search
Home
>
Brand
>
MCGILL
>
CAM FOLLOWER BEARING CF-S BEARING SERIES
CF-1 3/8-S
MORE +
CLOSE +
MCGILL CF-1 3/8-S
CAM FOLLOWER BEARING CF-S BEARING SERIES
(BRAND):MCGILL
(Availability):In Stock
(EMAIL):info@noksbearings.com
Detailed data of Product
similar to product
Detailed data of
CF-1 3/8-S
CAM FOLLOWER BEARING CF-S BEARING SERIES
Description
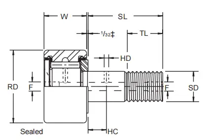
ROLLER DIA.(RD)
1.375
ROLLER WIDTH (W)
.750
STUD DIA. (SD)
.500
STUD L'GTH.(SL)
1 1/4
MIN. THR'D L'GTH.(TL)
5/8
FINE THR'DS.
1/2-20
HOLE CENTER(HC)
5/16
HOLE DIA.(HD)
3/32
LUB. FIT- TING SIZE (F)*
3/16
MIN. BOSS DIA.
49/64
HOUSING BORE DIA.
.5003
***RECOM. CLAMPING TORQUE LBS.-IN.
350
MAX. STATIC CAPACITY LBS.
4250
BASIC DYN. RATING LBS.
3930
Similar to product
CF-1 3/8-S
CAM FOLLOWER BEARING CF-S BEARING SERIES
CF-10-S
Shell
CAM FOLLOWER BEARING CF-S BEARING SERIES
Read More
CF-9-S
Shell
CAM FOLLOWER BEARING CF-S BEARING SERIES
Read More
CF-8-S
Shell
CAM FOLLOWER BEARING CF-S BEARING SERIES
Read More
CF-7-S
Shell
CAM FOLLOWER BEARING CF-S BEARING SERIES
Read More
CF-6-S
Shell
CAM FOLLOWER BEARING CF-S BEARING SERIES
Read More
CF-5-S
Shell
CAM FOLLOWER BEARING CF-S BEARING SERIES
Read More
CF-4-S
Shell
CAM FOLLOWER BEARING CF-S BEARING SERIES
Read More
CF-3 1/2-S
Shell
CAM FOLLOWER BEARING CF-S BEARING SERIES
Read More
CF-3 1/4-S
Shell
CAM FOLLOWER BEARING CF-S BEARING SERIES
Read More
CF-3-S
Shell
CAM FOLLOWER BEARING CF-S BEARING SERIES
Read More