2559/2523
MORE +
CLOSE +

NSK 2559/2523

Inch Series Tapered Roller Bearings

(BRAND):NSK
(Availability):In Stock

Detailed data of

2559/2523

Designations

2559/2523

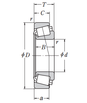
Boundary Dimensions

d 30.162 mm Bore diameter
D 69.85 mm Outside diameter
T 23.812 mm Total width
B 25.357 mm Width of inner ring
C 19.05 mm Width of outer ring
Cup r (min.) 1.3 mm Chamfer dimension of outer ring (Cup)
Cone r (min.) 0.8 mm Chamfer dimension of inner ring (Cone)

Basic Load Ratings

Cr 87000 N Basic dynamic load rating
C0r 84000 N Basic static load rating

Speeds

Grease 5600 min-1 Grease lubrication
Oil (Oil-bath) 7500 min-1 Oil-bath lubrication

a 14.5 mm Effective load center

Dimensions

da 37 mm Diameter of shaft abutment
Da 61 mm Diameter of housing abutment
db 36.5 mm Diameter of shaft abutment
Db 64 mm Diameter of housing abutment
ra (max.) 0.8 mm Radius of shaft or housing fillet of inner ring
ra (max.) 1.3 mm Radius of shaft or housing fillet of outer ring

Similar to product

2559/2523