26884/26823
MORE +
CLOSE +

NSK 26884/26823

Inch Series Tapered Roller Bearings

(BRAND):NSK
(Availability):In Stock

Detailed data of

26884/26823

Designations

26884/26823

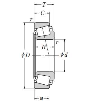
Boundary Dimensions

d 42.875 mm Bore diameter
D 76.2 mm Outside diameter
T 25.4 mm Total width
B 25.4 mm Width of inner ring
C 20.638 mm Width of outer ring
Cup r (min.) 1.5 mm Chamfer dimension of outer ring (Cup)
Cone r (min.) 3.5 mm Chamfer dimension of inner ring (Cone)

Basic Load Ratings

Cr 95000 N Basic dynamic load rating
C0r 98500 N Basic static load rating

Speeds

Grease 4800 min-1 Grease lubrication
Oil (Oil-bath) 6300 min-1 Oil-bath lubrication

a 18 mm Effective load center

Dimensions

da 55 mm Diameter of shaft abutment
Da 69 mm Diameter of housing abutment
db 48.5 mm Diameter of shaft abutment
Db 73 mm Diameter of housing abutment
ra (max.) 3.5 mm Radius of shaft or housing fillet of inner ring
ra (max.) 1.5 mm Radius of shaft or housing fillet of outer ring

Similar to product

26884/26823