29428E
MORE +
CLOSE +

NSK 29428E

Thrust Spherical Roller Bearings

(BRAND):NSK
(Availability):In Stock
(EMAIL):info@noksbearings.com

Detailed data of

29428E

Designations

29428E

Boundary Dimensions

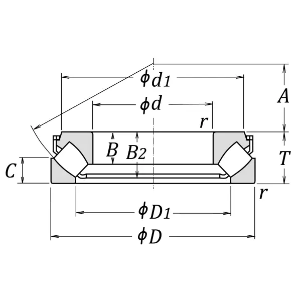
d 140 mm Bore diameter
D 280 mm Outside diameter
T,T3 85 mm Height
r (min.) 4 mm Chamfer dimension

Basic Load Ratings

Ca 1370000 N Basic dynamic load rating
C0a 4200000 N Basic static load rating

Speeds

Oil (Oil-bath) 1200 min-1 Oil-bath lubrication

B2 74.5 mm Height shaft washer + cage
d1 244.5 mm Outside diameter of shaft washer end side face
B1 54 mm Width shaft washer or length of shaft washer bore diameter that fits on shaft
C 42 mm Height housing washer
A 86 mm Distance from shaft washer end side face to pressure point
D1 195.5 mm Shoulder diameter outer ring
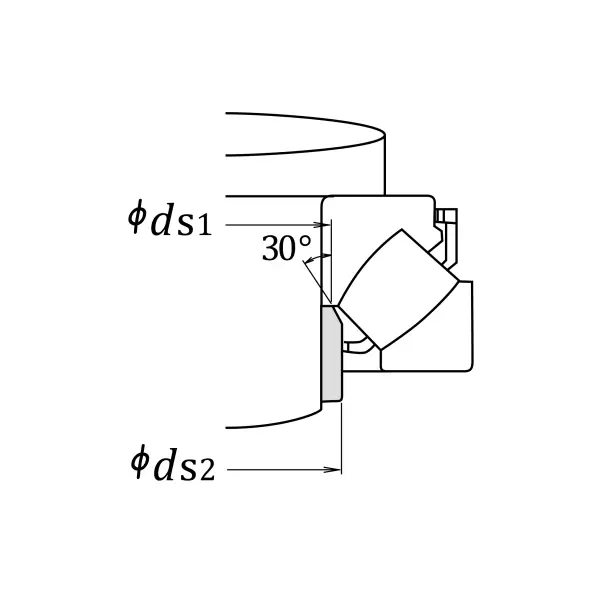
ds1 (max.) 153 mm Abutment diameter spacer ring
ds2 (max.) 162 mm Abutment diameter spacer ring (E design)

Dimensions

Da (max.) 235 mm Diameter of housing abutment
Db (max.) 285 mm Abutment diameter housing (E design)
ra (max.) 3 mm Radius of shaft or housing fillet
da (min.) 205 mm Abutment diameter spacer ring (E design)

Similar to product

29428E