7003AWDT
MORE +
CLOSE +

NSK 7003AWDT

Matched Angular Contact Ball Bearings

(BRAND):NSK
(Availability):In Stock

Detailed data of

7003AWDT

Designations

7003AWDT

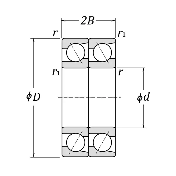
Boundary Dimensions

d 17 mm Bore diameter
D 35 mm Outside diameter
2B 20 mm Width 2B
r (min.) 0.3 mm Chamfer dimension
r1 (min.) 0.15 mm Chamfer dimension

Basic Load Ratings

Cr 11500 N Basic dynamic load rating
C0r 7650 N Basic static load rating

Speeds

Grease 14000 min-1 Grease lubrication
Oil (Oil-bath) 19000 min-1 Oil-bath lubrication

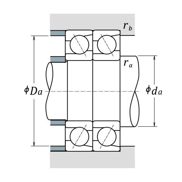
da (min.) 19.5 mm Diameter of shaft abutment
Da (max.) 32.5 mm Diameter of housing abutment
ra (max.) 0.3 mm Radius of shaft or housing fillet

Abutment and Fillet Dimensions

Mass approx. 0.08 kg Mass approx.

Similar to product

7003AWDT