7006AWDF
MORE +
CLOSE +

NSK 7006AWDF

Matched Angular Contact Ball Bearings

(BRAND):NSK
(Availability):In Stock

Detailed data of

7006AWDF

Designations

7006AWDF

Boundary Dimensions

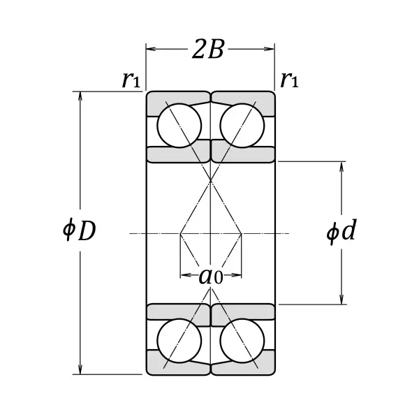
d 30 mm Bore diameter
D 55 mm Outside diameter
2B 26 mm Width 2B
r (min.) 1 mm Chamfer dimension
r1 (min.) 0.6 mm Chamfer dimension

Basic Load Ratings

Cr 26000 N Basic dynamic load rating
C0r 20200 N Basic static load rating

Speeds

Grease 8500 min-1 Grease lubrication
Oil (Oil-bath) 12000 min-1 Oil-bath lubrication

a0 11.5 mm Load center spacings

Dimensions

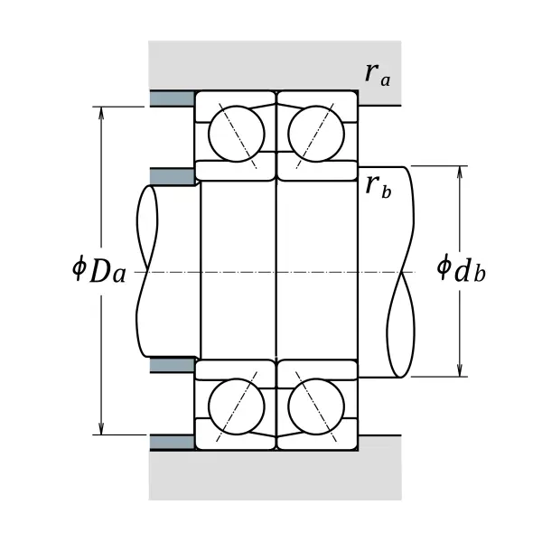
rb (max.) 0.6 mm Radius of fillet
Da (max.) 49 mm Diameter of housing abutment
db (min.) 35 mm Diameter of shaft abutment
ra (max.) 1 mm Radius of shaft or housing fillet

Similar to product

7006AWDF