7203BWDT
MORE +
CLOSE +

NSK 7203BWDT

Matched Angular Contact Ball Bearings

(BRAND):NSK
(Availability):In Stock

Detailed data of

7203BWDT

Designations

7203BWDT

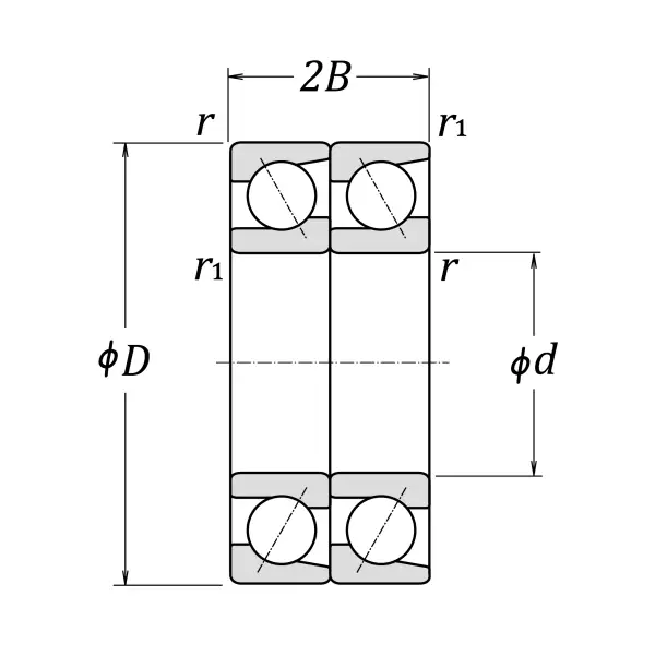
Boundary Dimensions

d 17 mm Bore diameter
D 40 mm Outside diameter
2B 24 mm Width 2B
r (min.) 0.6 mm Chamfer dimension
r1 (min.) 0.3 mm Chamfer dimension

Basic Load Ratings

Cr 17800 N Basic dynamic load rating
C0r 11000 N Basic static load rating

Speeds

Grease 9000 min-1 Grease lubrication
Oil (Oil-bath) 12000 min-1 Oil-bath lubrication

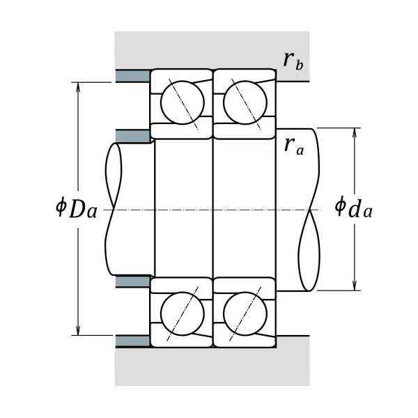
da (min.) 22 mm Diameter of shaft abutment
Da (max.) 35 mm Diameter of housing abutment
ra (max.) 0.6 mm Radius of shaft or housing fillet

Abutment and Fillet Dimensions

Mass approx. 0.136 kg Mass approx.

Similar to product

7203BWDT