7208AWDT
MORE +
CLOSE +

NSK 7208AWDT

Matched Angular Contact Ball Bearings

(BRAND):NSK
(Availability):In Stock

Detailed data of

7208AWDT

Designations

7208AWDT

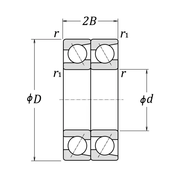
Boundary Dimensions

d 40 mm Bore diameter
D 80 mm Outside diameter
2B 36 mm Width 2B
r (min.) 1.1 mm Chamfer dimension
r1 (min.) 0.6 mm Chamfer dimension

Basic Load Ratings

Cr 63000 N Basic dynamic load rating
C0r 50500 N Basic static load rating

Speeds

Grease 6000 min-1 Grease lubrication
Oil (Oil-bath) 8500 min-1 Oil-bath lubrication

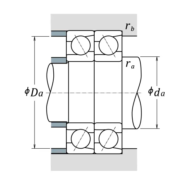
da (min.) 47 mm Diameter of shaft abutment
Da (max.) 73 mm Diameter of housing abutment
ra (max.) 1 mm Radius of shaft or housing fillet

Abutment and Fillet Dimensions

Mass approx. 0.75 kg Mass approx.

Similar to product

7208AWDT