7208BEAMR
MORE +
CLOSE +

NSK 7208BEAMR

Single-Row Angular Contact Ball Bearings

(BRAND):NSK
(Availability):In Stock

Detailed data of

7208BEAMR

Designations

7208BEAMR

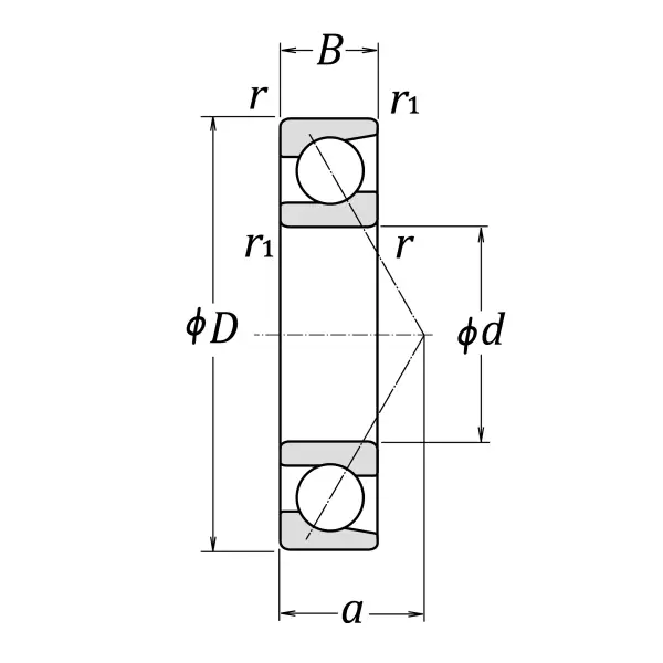
Boundary Dimensions

d 40 mm Bore diameter
D 80 mm Outside diameter
B 18 mm Width
r (min.) 1.1 mm Chamfer dimension
r1 (min.) 0.6 mm Chamfer dimension

Basic Load Ratings

Cr 40500 N Basic dynamic load rating
C0r 24500 N Basic static load rating

Speeds

Grease 7500 min-1 Grease lubrication
Oil (Oil-bath) 11000 min-1 Oil-bath lubrication

a 34.2 mm Effective load center

Dimensions

da (min.) 47 mm Diameter of shaft abutment
Da (max.) 73 mm Diameter of housing abutment
ra (max.) 1 mm Radius of shaft or housing fillet

Similar to product

7208BEAMR