7210BEAMR
MORE +
CLOSE +

NSK 7210BEAMR

Single-Row Angular Contact Ball Bearings

(BRAND):NSK
(Availability):In Stock

Detailed data of

7210BEAMR

Designations

7210BEAMR

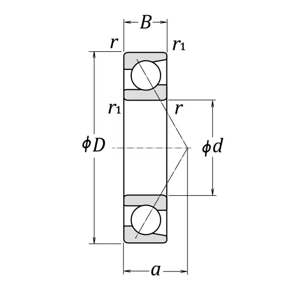
Boundary Dimensions

d 50 mm Bore diameter
D 90 mm Outside diameter
B 20 mm Width
r (min.) 1.1 mm Chamfer dimension
r1 (min.) 0.6 mm Chamfer dimension

Basic Load Ratings

Cr 44000 N Basic dynamic load rating
C0r 29700 N Basic static load rating

Speeds

Grease 6300 min-1 Grease lubrication
Oil (Oil-bath) 9500 min-1 Oil-bath lubrication

a 39.4 mm Effective load center

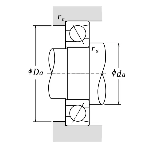
Dimensions

da (min.) 57 mm Diameter of shaft abutment
Da (max.) 83 mm Diameter of housing abutment
ra (max.) 1 mm Radius of shaft or housing fillet

Similar to product

7210BEAMR