7218BWDT
MORE +
CLOSE +

NSK 7218BWDT

Matched Angular Contact Ball Bearings

(BRAND):NSK
(Availability):In Stock

Detailed data of

7218BWDT

Designations

7218BWDT

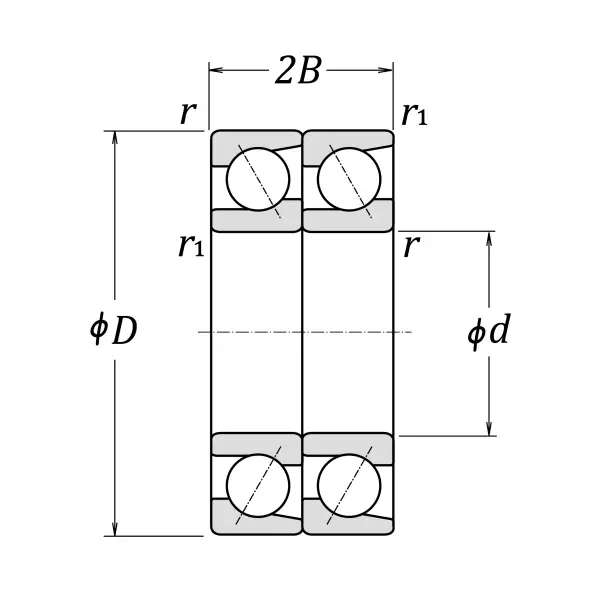
Boundary Dimensions

d 90 mm Bore diameter
D 160 mm Outside diameter
2B 60 mm Width 2B
r (min.) 2 mm Chamfer dimension
r1 (min.) 1 mm Chamfer dimension

Basic Load Ratings

Cr 191000 N Basic dynamic load rating
C0r 188000 N Basic static load rating

Speeds

Grease 2000 min-1 Grease lubrication
Oil (Oil-bath) 2800 min-1 Oil-bath lubrication

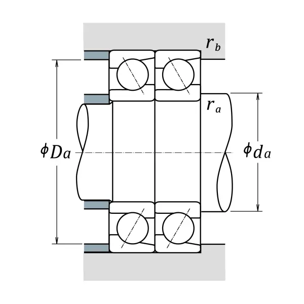
da (min.) 100 mm Diameter of shaft abutment
Da (max.) 150 mm Diameter of housing abutment
ra (max.) 2 mm Radius of shaft or housing fillet

Abutment and Fillet Dimensions

Mass approx. 4.58 kg Mass approx.

Similar to product

7218BWDT