7228BDT
MORE +
CLOSE +

NSK 7228BDT

Matched Angular Contact Ball Bearings

(BRAND):NSK
(Availability):In Stock

Detailed data of

7228BDT

Designations

7228BDT

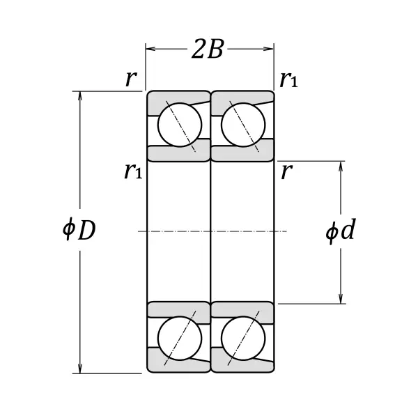
Boundary Dimensions

d 140 mm Bore diameter
D 250 mm Outside diameter
2B 84 mm Width 2B
r (min.) 3 mm Chamfer dimension
r1 (min.) 1.1 mm Chamfer dimension

Basic Load Ratings

Cr 355000 N Basic dynamic load rating
C0r 425000 N Basic static load rating

Speeds

Grease 1600 min-1 Grease lubrication
Oil (Oil-bath) 2200 min-1 Oil-bath lubrication

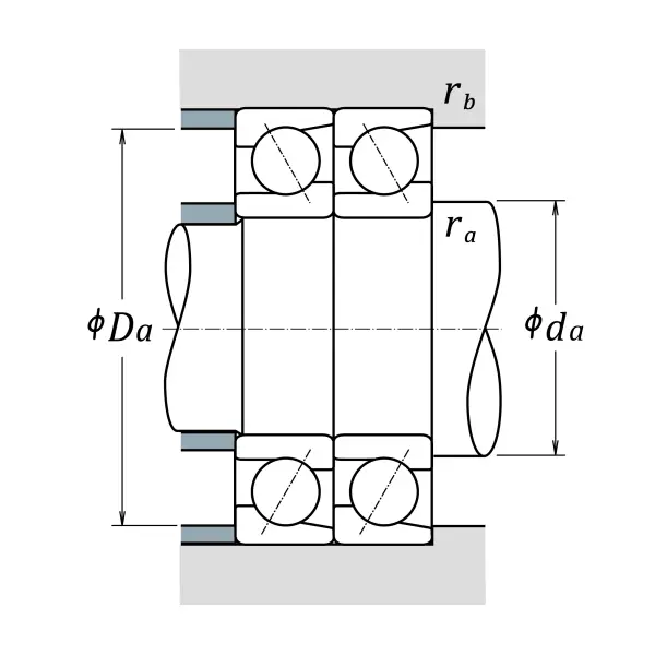
da (min.) 154 mm Diameter of shaft abutment
Da (max.) 236 mm Diameter of housing abutment
ra (max.) 2.5 mm Radius of shaft or housing fillet

Abutment and Fillet Dimensions

Mass approx. 17.88 kg Mass approx.

Similar to product

7228BDT