7301BWDT
MORE +
CLOSE +

NSK 7301BWDT

Matched Angular Contact Ball Bearings

(BRAND):NSK
(Availability):In Stock

Detailed data of

7301BWDT

Designations

7301BWDT

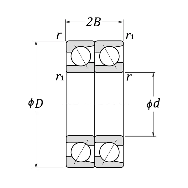
Boundary Dimensions

d 12 mm Bore diameter
D 37 mm Outside diameter
2B 24 mm Width 2B
r (min.) 1 mm Chamfer dimension
r1 (min.) 0.6 mm Chamfer dimension

Basic Load Ratings

Cr 15800 N Basic dynamic load rating
C0r 8400 N Basic static load rating

Speeds

Grease 10000 min-1 Grease lubrication
Oil (Oil-bath) 14000 min-1 Oil-bath lubrication

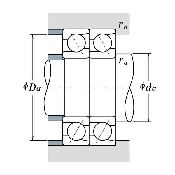
da (min.) 18 mm Diameter of shaft abutment
Da (max.) 31 mm Diameter of housing abutment
ra (max.) 1 mm Radius of shaft or housing fillet

Abutment and Fillet Dimensions

Mass approx. 0.124 kg Mass approx.

Similar to product

7301BWDT