7302AWDF
MORE +
CLOSE +

NSK 7302AWDF

Matched Angular Contact Ball Bearings

(BRAND):NSK
(Availability):In Stock

Detailed data of

7302AWDF

Designations

7302AWDF

Boundary Dimensions

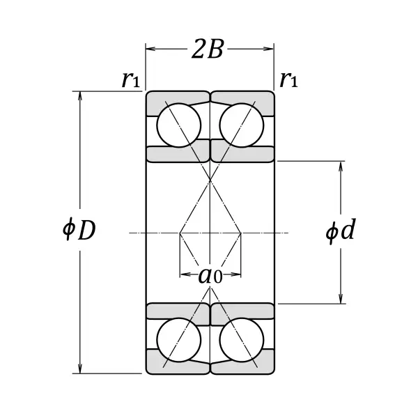
d 15 mm Bore diameter
D 42 mm Outside diameter
2B 26 mm Width 2B
r (min.) 1 mm Chamfer dimension
r1 (min.) 0.6 mm Chamfer dimension

Basic Load Ratings

Cr 23900 N Basic dynamic load rating
C0r 14200 N Basic static load rating

Speeds

Grease 10000 min-1 Grease lubrication
Oil (Oil-bath) 13000 min-1 Oil-bath lubrication

a0 3.5 mm Load center spacings

Dimensions

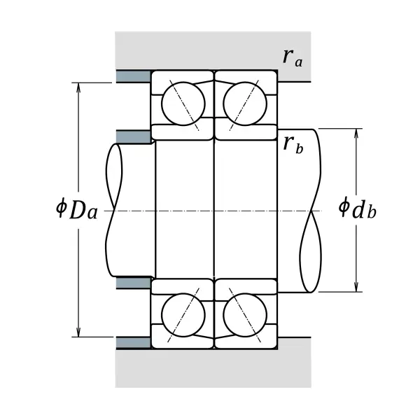
rb (max.) 0.6 mm Radius of fillet
Da (max.) 36 mm Diameter of housing abutment
db (min.) 20 mm Diameter of shaft abutment
ra (max.) 1 mm Radius of shaft or housing fillet

Similar to product

7302AWDF