7303AWDF
MORE +
CLOSE +

NSK 7303AWDF

Matched Angular Contact Ball Bearings

(BRAND):NSK
(Availability):In Stock

Detailed data of

7303AWDF

Designations

7303AWDF

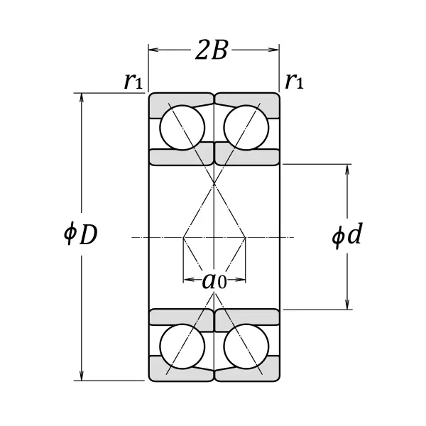
Boundary Dimensions

d 17 mm Bore diameter
D 47 mm Outside diameter
2B 28 mm Width 2B
r (min.) 1 mm Chamfer dimension
r1 (min.) 0.6 mm Chamfer dimension

Basic Load Ratings

Cr 28500 N Basic dynamic load rating
C0r 17300 N Basic static load rating

Speeds

Grease 9000 min-1 Grease lubrication
Oil (Oil-bath) 12000 min-1 Oil-bath lubrication

a0 4.5 mm Load center spacings

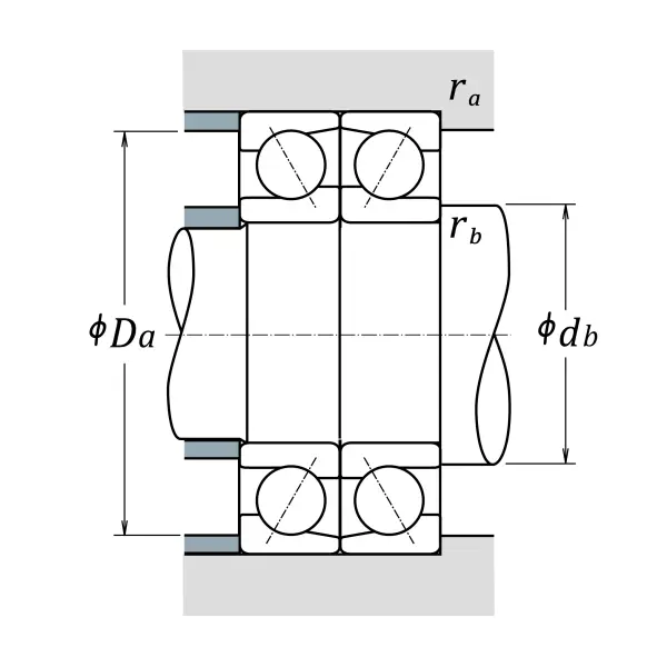
Dimensions

rb (max.) 0.6 mm Radius of fillet
Da (max.) 41 mm Diameter of housing abutment
db (min.) 22 mm Diameter of shaft abutment
ra (max.) 1 mm Radius of shaft or housing fillet

Similar to product

7303AWDF