7304BEAT7
MORE +
CLOSE +

NSK 7304BEAT7

Single-Row Angular Contact Ball Bearings

(BRAND):NSK
(Availability):In Stock
(EMAIL):info@noksbearings.com

Detailed data of

7304BEAT7

Designations

7304BEAT7

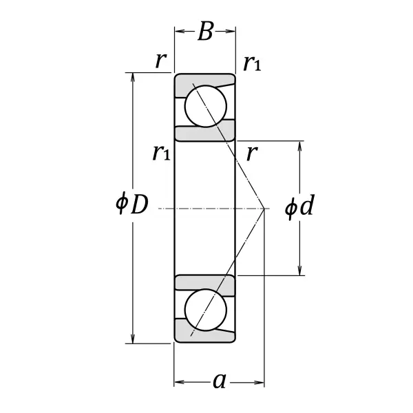
Boundary Dimensions

d 20 mm Bore diameter
D 52 mm Outside diameter
B 15 mm Width
r (min.) 1.1 mm Chamfer dimension
r1 (min.) 0.6 mm Chamfer dimension

Basic Load Ratings

Cr 20800 N Basic dynamic load rating
C0r 10500 N Basic static load rating

Speeds

Grease 13000 min-1 Grease lubrication
Oil (Oil-bath) 18000 min-1 Oil-bath lubrication

a 22.6 mm Effective load center

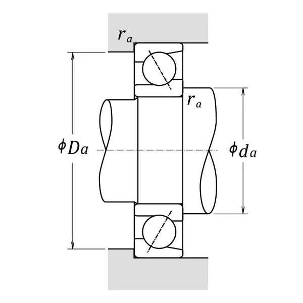
Dimensions

da (min.) 27 mm Diameter of shaft abutment
Da (max.) 45 mm Diameter of housing abutment
ra (max.) 1 mm Radius of shaft or housing fillet

Similar to product

7304BEAT7