7304BWDT
MORE +
CLOSE +

NSK 7304BWDT

Matched Angular Contact Ball Bearings

(BRAND):NSK
(Availability):In Stock

Detailed data of

7304BWDT

Designations

7304BWDT

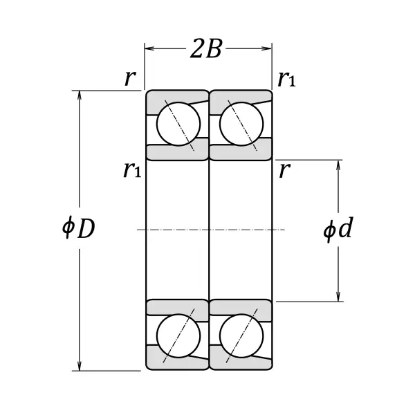
Boundary Dimensions

d 20 mm Bore diameter
D 52 mm Outside diameter
2B 30 mm Width 2B
r (min.) 1.1 mm Chamfer dimension
r1 (min.) 0.6 mm Chamfer dimension

Basic Load Ratings

Cr 31000 N Basic dynamic load rating
C0r 19300 N Basic static load rating

Speeds

Grease 7100 min-1 Grease lubrication
Oil (Oil-bath) 10000 min-1 Oil-bath lubrication

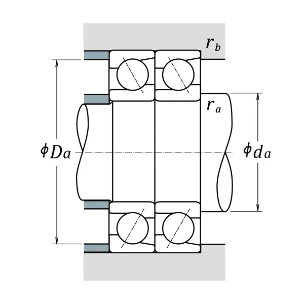
da (min.) 27 mm Diameter of shaft abutment
Da (max.) 45 mm Diameter of housing abutment
ra (max.) 1 mm Radius of shaft or housing fillet

Abutment and Fillet Dimensions

Mass approx. 0.3 kg Mass approx.

Similar to product

7304BWDT