7306BW
MORE +
CLOSE +

NSK 7306BW

Single-Row Angular Contact Ball Bearings

(BRAND):NSK
(Availability):In Stock

Designations

7306BW

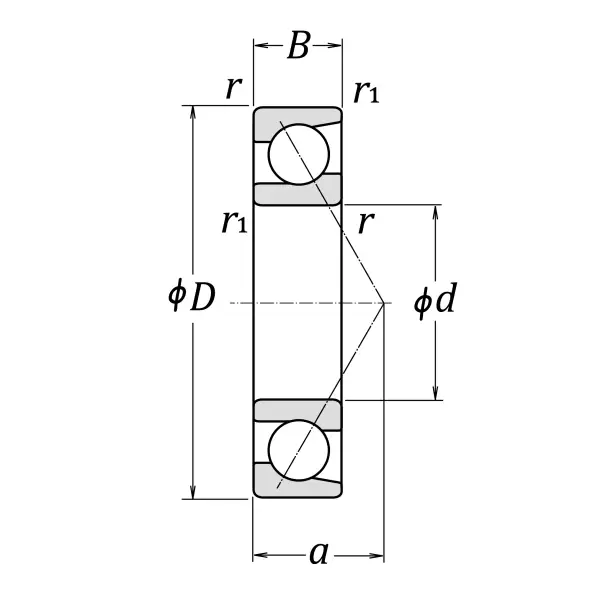
Boundary Dimensions

d 30 mm Bore diameter
D 72 mm Outside diameter
B 19 mm Width
r (min.) 1.1 mm Chamfer dimension
r1 (min.) 0.6 mm Chamfer dimension

Basic Load Ratings

Cr 34000 N Basic dynamic load rating
C0r 19300 N Basic static load rating

Speeds

Grease 6300 min-1 Grease lubrication
Oil (Oil-bath) 8500 min-1 Oil-bath lubrication

a 30.9 mm Effective load center

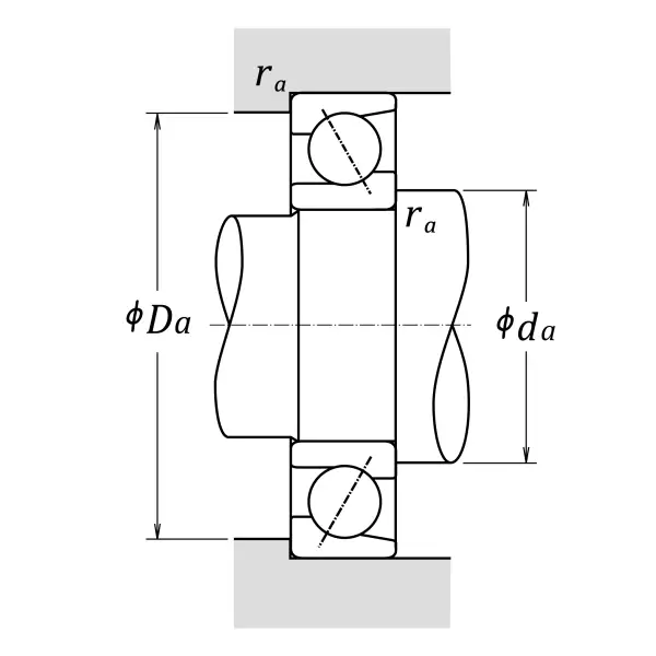
Dimensions

da (min.) 37 mm Diameter of shaft abutment
Da (max.) 65 mm Diameter of housing abutment
ra (max.) 1 mm Radius of shaft or housing fillet

Similar to product

7306BW