Home
Brand
SKF
IKO
INA
FAG
KOYO
TIMKEN
NSK
NTN
PRECISION BEARINGS
MCGILL
THK
About us
Contact us
News
Search
Home
>
Brand
>
NSK
>
Bearings
>
Ball Bearings
>
Angular Contact Ball Bearings
>
Matched Angular Contact Ball Bearings
7307BWDF
MORE +
CLOSE +
NSK 7307BWDF
Matched Angular Contact Ball Bearings
(BRAND):NSK
(Availability):In Stock
(EMAIL):info@noksbearings.com
Detailed data of Product
similar to product
Detailed data of
7307BWDF
Matched Angular Contact Ball Bearings
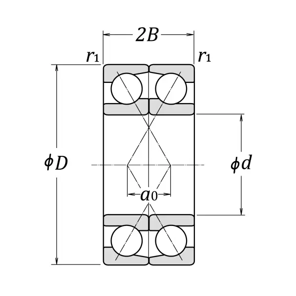
Designations
7307BWDF
Boundary Dimensions
d
35
mm
Bore diameter
D
80
mm
Outside diameter
2B
42
mm
Width 2B
r (min.)
1.5
mm
Chamfer dimension
r1 (min.)
1
mm
Chamfer dimension
Basic Load Ratings
Cr
65500
N
Basic dynamic load rating
C0r
48500
N
Basic static load rating
Speeds
Grease
4500
min-1
Grease lubrication
Oil (Oil-bath)
6000
min-1
Oil-bath lubrication
a0
27.2
mm
Load center spacings
Dimensions
rb (max.)
1
mm
Radius of fillet
Da (max.)
71
mm
Diameter of housing abutment
db (min.)
41
mm
Diameter of shaft abutment
ra (max.)
1.5
mm
Radius of shaft or housing fillet
Similar to product
7307BWDF
Matched Angular Contact Ball Bearings
7238ADF
Shell
Matched Angular Contact Ball Bearings
Read More
7238BDF
Shell
Matched Angular Contact Ball Bearings
Read More
7238ADT
Shell
Matched Angular Contact Ball Bearings
Read More
7238BDT
Shell
Matched Angular Contact Ball Bearings
Read More
7338ADB
Shell
Matched Angular Contact Ball Bearings
Read More
7338BDB
Shell
Matched Angular Contact Ball Bearings
Read More
7338ADF
Shell
Matched Angular Contact Ball Bearings
Read More
7338BDF
Shell
Matched Angular Contact Ball Bearings
Read More
7338ADT
Shell
Matched Angular Contact Ball Bearings
Read More
7338BDT
Shell
Matched Angular Contact Ball Bearings
Read More