7307BWDT
MORE +
CLOSE +

NSK 7307BWDT

Matched Angular Contact Ball Bearings

(BRAND):NSK
(Availability):In Stock

Detailed data of

7307BWDT

Designations

7307BWDT

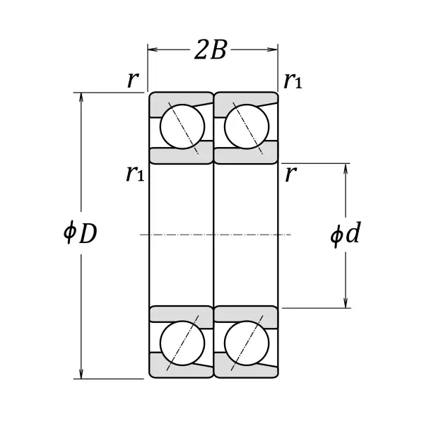
Boundary Dimensions

d 35 mm Bore diameter
D 80 mm Outside diameter
2B 42 mm Width 2B
r (min.) 1.5 mm Chamfer dimension
r1 (min.) 1 mm Chamfer dimension

Basic Load Ratings

Cr 65500 N Basic dynamic load rating
C0r 48500 N Basic static load rating

Speeds

Grease 4500 min-1 Grease lubrication
Oil (Oil-bath) 6000 min-1 Oil-bath lubrication

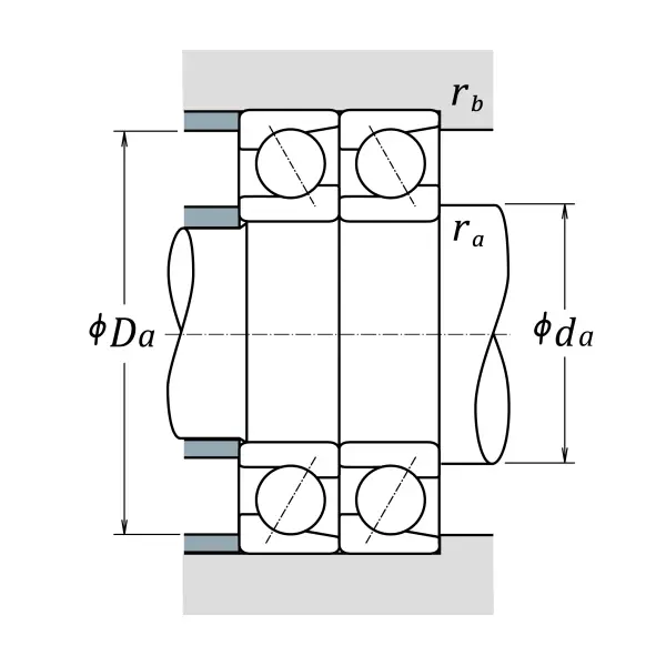
da (min.) 44 mm Diameter of shaft abutment
Da (max.) 71 mm Diameter of housing abutment
ra (max.) 1.5 mm Radius of shaft or housing fillet

Abutment and Fillet Dimensions

Mass approx. 0.948 kg Mass approx.

Similar to product

7307BWDT