7308BWDT
MORE +
CLOSE +

NSK 7308BWDT

Matched Angular Contact Ball Bearings

(BRAND):NSK
(Availability):In Stock

Detailed data of

7308BWDT

Designations

7308BWDT

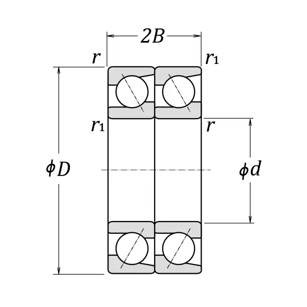
Boundary Dimensions

d 40 mm Bore diameter
D 90 mm Outside diameter
2B 46 mm Width 2B
r (min.) 1.5 mm Chamfer dimension
r1 (min.) 1 mm Chamfer dimension

Basic Load Ratings

Cr 80000 N Basic dynamic load rating
C0r 60500 N Basic static load rating

Speeds

Grease 4000 min-1 Grease lubrication
Oil (Oil-bath) 5300 min-1 Oil-bath lubrication

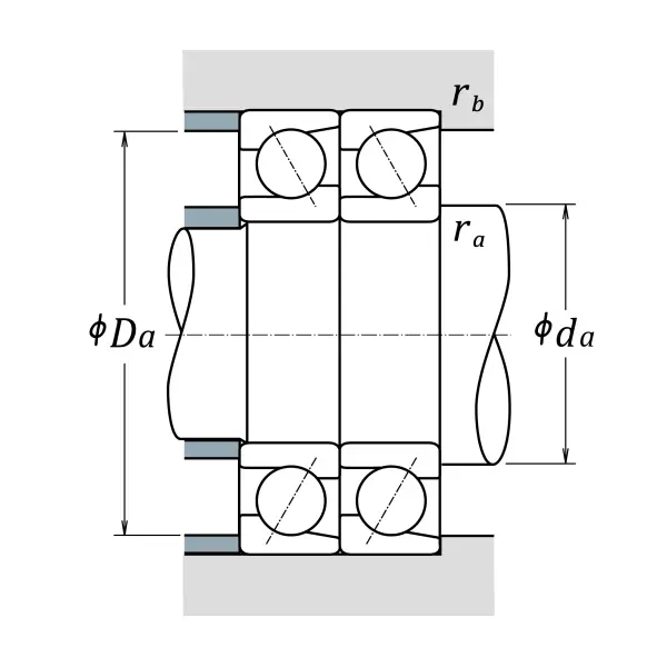
da (min.) 49 mm Diameter of shaft abutment
Da (max.) 81 mm Diameter of housing abutment
ra (max.) 1.5 mm Radius of shaft or housing fillet

Abutment and Fillet Dimensions

Mass approx. 1.296 kg Mass approx.

Similar to product

7308BWDT