7312BEAW
MORE +
CLOSE +

NSK 7312BEAW

Single-Row Angular Contact Ball Bearings

(BRAND):NSK
(Availability):In Stock

Detailed data of

7312BEAW

Designations

7312BEAW

Boundary Dimensions

d 60 mm Bore diameter
D 130 mm Outside diameter
B 31 mm Width
r (min.) 2.1 mm Chamfer dimension
r1 (min.) 1.1 mm Chamfer dimension

Basic Load Ratings

Cr 107000 N Basic dynamic load rating
C0r 68500 N Basic static load rating

Speeds

Grease 3400 min-1 Grease lubrication
Oil (Oil-bath) 4500 min-1 Oil-bath lubrication

a 55.4 mm Effective load center

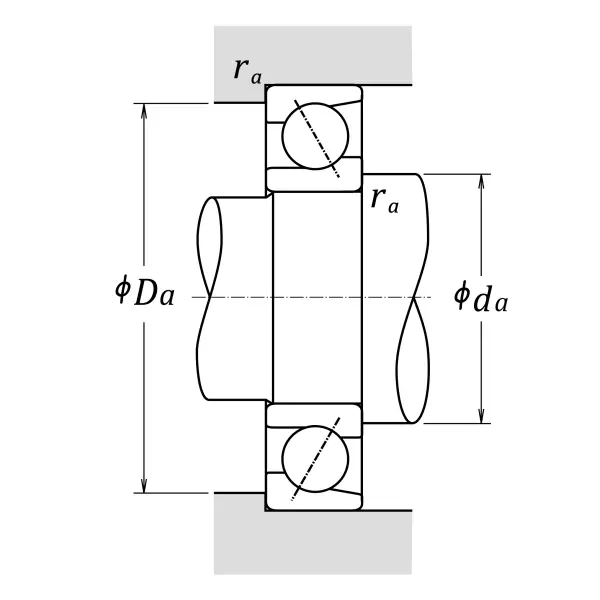
Dimensions

da (min.) 72 mm Diameter of shaft abutment
Da (max.) 118 mm Diameter of housing abutment
ra (max.) 2 mm Radius of shaft or housing fillet

Similar to product

7312BEAW