7313AWDT
MORE +
CLOSE +

NSK 7313AWDT

Matched Angular Contact Ball Bearings

(BRAND):NSK
(Availability):In Stock

Detailed data of

7313AWDT

Designations

7313AWDT

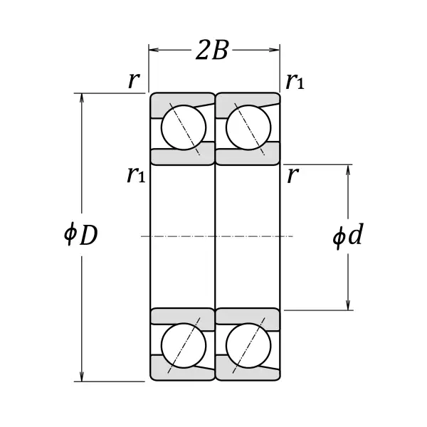
Boundary Dimensions

d 65 mm Bore diameter
D 140 mm Outside diameter
2B 66 mm Width 2B
r (min.) 2.1 mm Chamfer dimension
r1 (min.) 1.1 mm Chamfer dimension

Basic Load Ratings

Cr 198000 N Basic dynamic load rating
C0r 164000 N Basic static load rating

Speeds

Grease 2800 min-1 Grease lubrication
Oil (Oil-bath) 3800 min-1 Oil-bath lubrication

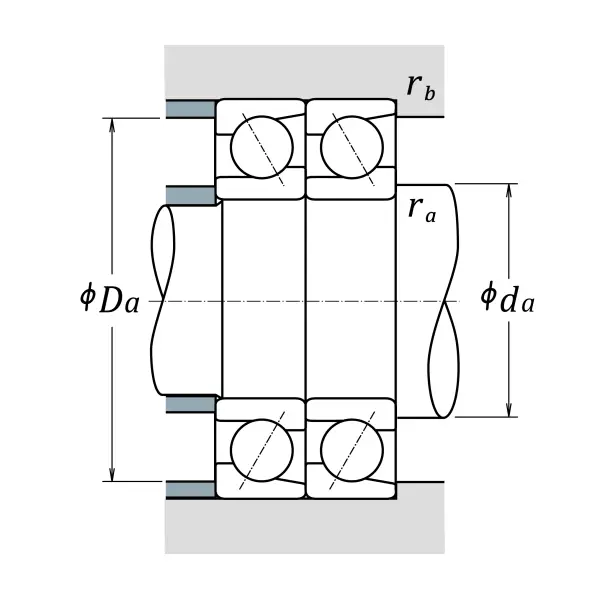
da (min.) 77 mm Diameter of shaft abutment
Da (max.) 128 mm Diameter of housing abutment
ra (max.) 2 mm Radius of shaft or housing fillet

Abutment and Fillet Dimensions

Mass approx. 4.24 kg Mass approx.

Similar to product

7313AWDT