7316AWDT
MORE +
CLOSE +

NSK 7316AWDT

Matched Angular Contact Ball Bearings

(BRAND):NSK
(Availability):In Stock

Detailed data of

7316AWDT

Designations

7316AWDT

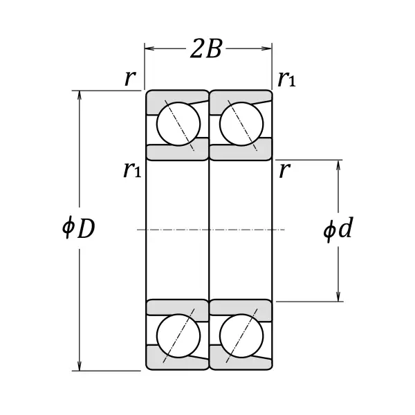
Boundary Dimensions

d 80 mm Bore diameter
D 170 mm Outside diameter
2B 78 mm Width 2B
r (min.) 2.1 mm Chamfer dimension
r1 (min.) 1.1 mm Chamfer dimension

Basic Load Ratings

Cr 263000 N Basic dynamic load rating
C0r 238000 N Basic static load rating

Speeds

Grease 2200 min-1 Grease lubrication
Oil (Oil-bath) 3000 min-1 Oil-bath lubrication

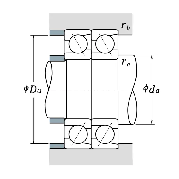
da (min.) 92 mm Diameter of shaft abutment
Da (max.) 158 mm Diameter of housing abutment
ra (max.) 2 mm Radius of shaft or housing fillet

Abutment and Fillet Dimensions

Mass approx. 7.42 kg Mass approx.

Similar to product

7316AWDT