7317BEAMR
MORE +
CLOSE +

NSK 7317BEAMR

Single-Row Angular Contact Ball Bearings

(BRAND):NSK
(Availability):In Stock

Detailed data of

7317BEAMR

Designations

7317BEAMR

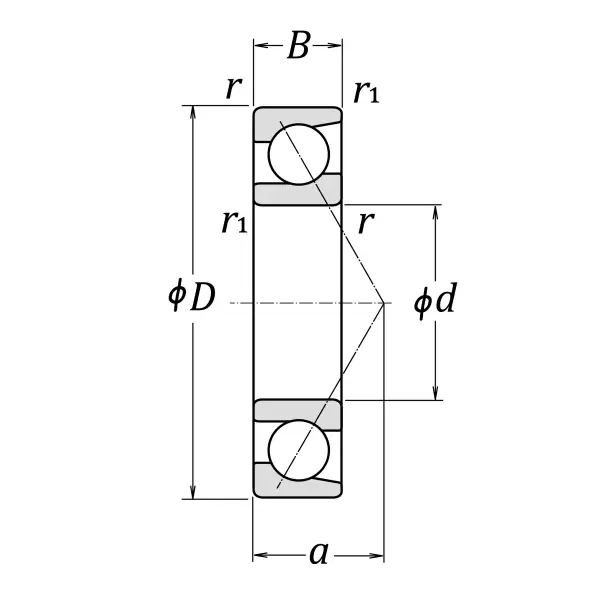
Boundary Dimensions

d 85 mm Bore diameter
D 180 mm Outside diameter
B 41 mm Width
r (min.) 3 mm Chamfer dimension
r1 (min.) 1.1 mm Chamfer dimension

Basic Load Ratings

Cr 172000 N Basic dynamic load rating
C0r 133000 N Basic static load rating

Speeds

Grease 3400 min-1 Grease lubrication
Oil (Oil-bath) 5000 min-1 Oil-bath lubrication

a 76.1 mm Effective load center

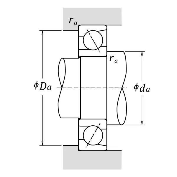
Dimensions

da (min.) 99 mm Diameter of shaft abutment
Da (max.) 166 mm Diameter of housing abutment
ra (max.) 2.5 mm Radius of shaft or housing fillet

Similar to product

7317BEAMR