7319BWDT
MORE +
CLOSE +

NSK 7319BWDT

Matched Angular Contact Ball Bearings

(BRAND):NSK
(Availability):In Stock

Detailed data of

7319BWDT

Designations

7319BWDT

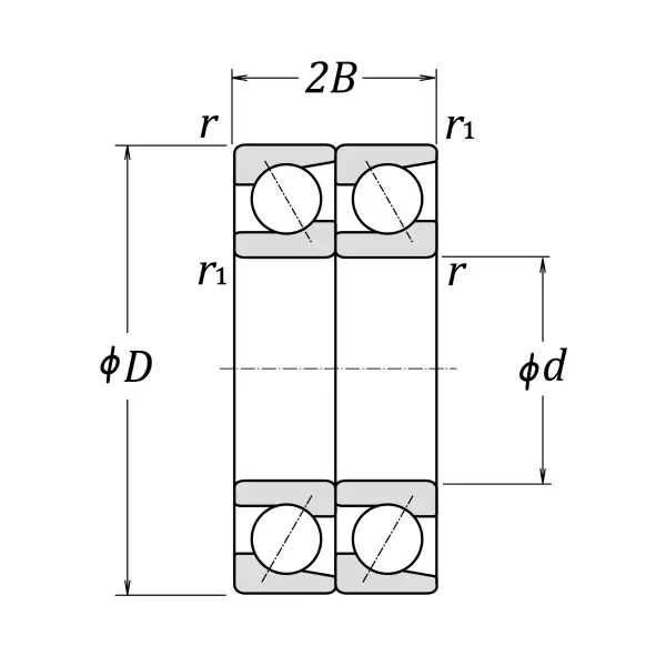
Boundary Dimensions

d 95 mm Bore diameter
D 200 mm Outside diameter
2B 90 mm Width 2B
r (min.) 3 mm Chamfer dimension
r1 (min.) 1.1 mm Chamfer dimension

Basic Load Ratings

Cr 299000 N Basic dynamic load rating
C0r 298000 N Basic static load rating

Speeds

Grease 1700 min-1 Grease lubrication
Oil (Oil-bath) 2400 min-1 Oil-bath lubrication

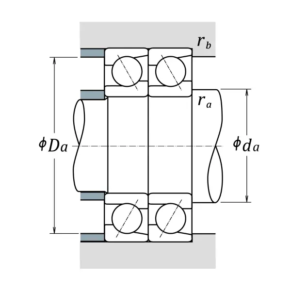
da (min.) 109 mm Diameter of shaft abutment
Da (max.) 186 mm Diameter of housing abutment
ra (max.) 2.5 mm Radius of shaft or housing fillet

Abutment and Fillet Dimensions

Mass approx. 11.96 kg Mass approx.

Similar to product

7319BWDT