7321BDT
MORE +
CLOSE +

NSK 7321BDT

Matched Angular Contact Ball Bearings

(BRAND):NSK
(Availability):In Stock

Detailed data of

7321BDT

Designations

7321BDT

Boundary Dimensions

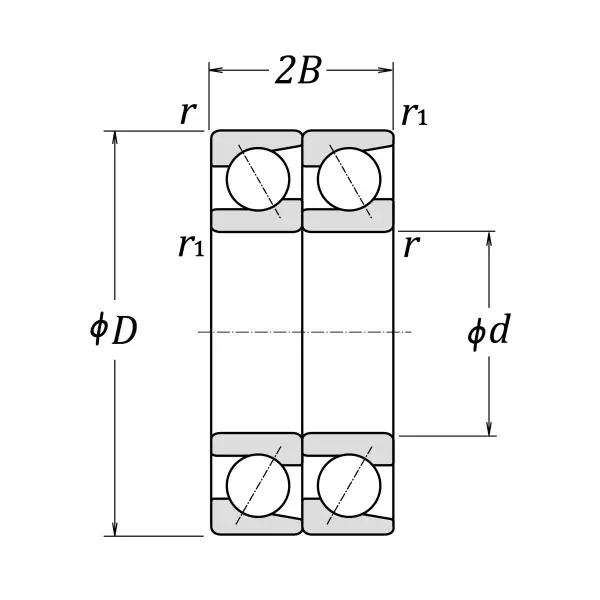
d 105 mm Bore diameter
D 225 mm Outside diameter
2B 98 mm Width 2B
r (min.) 3 mm Chamfer dimension
r1 (min.) 1.1 mm Chamfer dimension

Basic Load Ratings

Cr 340000 N Basic dynamic load rating
C0r 355000 N Basic static load rating

Speeds

Grease 1900 min-1 Grease lubrication
Oil (Oil-bath) 2600 min-1 Oil-bath lubrication

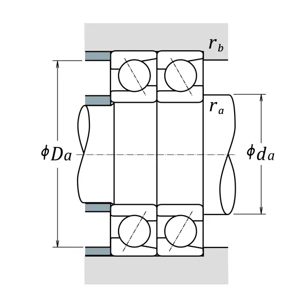
da (min.) 119 mm Diameter of shaft abutment
Da (max.) 211 mm Diameter of housing abutment
ra (max.) 2.5 mm Radius of shaft or housing fillet

Abutment and Fillet Dimensions

Mass approx. 18.86 kg Mass approx.

Similar to product

7321BDT