ASFB205
MORE +
CLOSE +

NSK ASFB205

Oval Flanged Units

(BRAND):NSK
(Availability):In Stock

Detailed data of

ASFB205

Designations

ASFB205

Included products

Bearing
Housing FB205 Housing

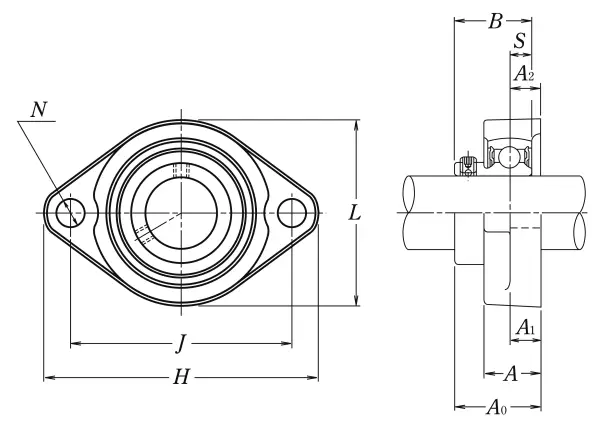
Nominal Dimensions

d 25 mm Bore diameter
L,L1 64 mm Overall height
J 76 mm Distance between attachment bolts
N 10 mm Diameter of attachment bolt hole
A2 11 mm Flange width
A1 11 mm Flange width
A 20 mm Base width
A0 30.5 mm Overall width
B,B1,B2 27 mm Width of inner ring
H 95 mm Overall length
S 7.5 mm Distance from Opposite side face of locking device to raceway centre

Mounting information

G M8 Bolt size

Basic Load Ratings

Cr 14 kN Basic dynamic load rating
C0r 7.85 kN Basic static load rating

Mass

mass 0.3 kg Mass approx.

Similar to product

ASFB205