F-UCPM206/LP99
MORE +
CLOSE +

NSK F-UCPM206/LP99

Pillow Block Bearing Units

(BRAND):NSK
(Availability):In Stock

Detailed data of

F-UCPM206/LP99

Designations

F-UCPM206/LP99

Included products

Bearing
Housing PM206 Housing

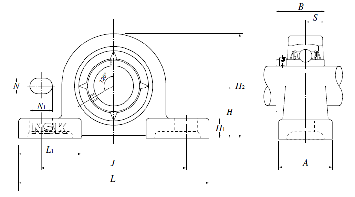
Nominal Dimensions

d 30 mm Bore diameter
N1 20 mm Length of attachment bolt hole
L 155 mm Overall length
H 42.9 mm Height of spherical seat centre
J 121 mm Distance between attachment bolts
N 17 mm Diameter of attachment bolt hole
A 36 mm Base width
H1 13 mm Distance between bottoms of piloting grooves
B 38.1 mm Width of inner ring
S 15.9 mm Distance from Opposite side face of locking device to raceway centre
H2 82 mm Overall height

Mounting information

G M14 Bolt size

Basic Load Ratings

Cr 15 kN Basic dynamic load rating
C0r 11.3 kN Basic static load rating

Mass

mass 0.9 kg Mass approx.

Similar to product

F-UCPM206/LP99