HR30208J
MORE +
CLOSE +

NSK HR30208J

Metric Series Tapered Roller Bearings

(BRAND):NSK
(Availability):In Stock

Detailed data of

HR30208J

Designations

HR30208J

Dimension series

ISO 3DB ISO355 dimension series approx.

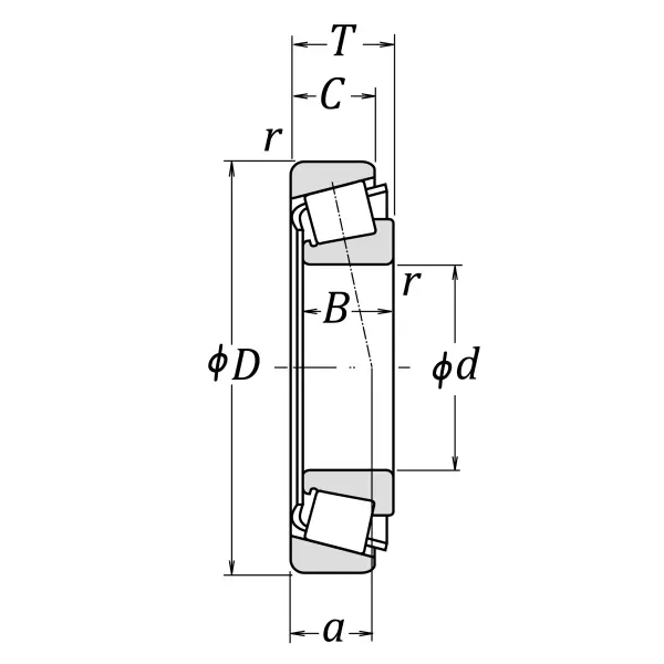
Boundary Dimensions

d 40 mm Bore diameter
D 80 mm Outside diameter
T 19.75 mm Total width
B 18 mm Width of inner ring
C 16 mm Width of outer ring
Cup r (min.) 1.5 mm Chamfer dimension of outer ring (Cup)
Cone r (min.) 1.5 mm Chamfer dimension of inner ring (Cone)

Basic Load Ratings

Cr 78000 N Basic dynamic load rating
C0r 70000 N Basic static load rating

Speeds

Grease 4800 min-1 Grease lubrication
Oil (Oil-bath) 6300 min-1 Oil-bath lubrication

a 16.6 mm Effective load center

Similar to product

HR30208J