HR30214J
MORE +
CLOSE +

NSK HR30214J

Metric Series Tapered Roller Bearings

(BRAND):NSK
(Availability):In Stock

Detailed data of

HR30214J

Designations

HR30214J

Dimension series

ISO 3EB ISO355 dimension series approx.

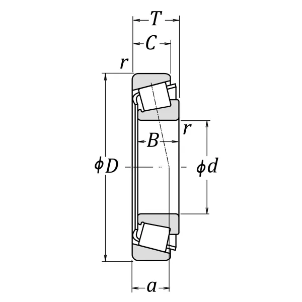
Boundary Dimensions

d 70 mm Bore diameter
D 125 mm Outside diameter
T 26.25 mm Total width
B 24 mm Width of inner ring
C 21 mm Width of outer ring
Cup r (min.) 1.5 mm Chamfer dimension of outer ring (Cup)
Cone r (min.) 2 mm Chamfer dimension of inner ring (Cone)

Basic Load Ratings

Cr 163000 N Basic dynamic load rating
C0r 163000 N Basic static load rating

Speeds

Grease 2800 min-1 Grease lubrication
Oil (Oil-bath) 4000 min-1 Oil-bath lubrication

a 25.7 mm Effective load center

Similar to product

HR30214J