HR30326J
MORE +
CLOSE +

NSK HR30326J

Metric Series Tapered Roller Bearings

(BRAND):NSK
(Availability):In Stock

Detailed data of

HR30326J

Designations

HR30326J

Dimension series

ISO 2GB ISO355 dimension series approx.

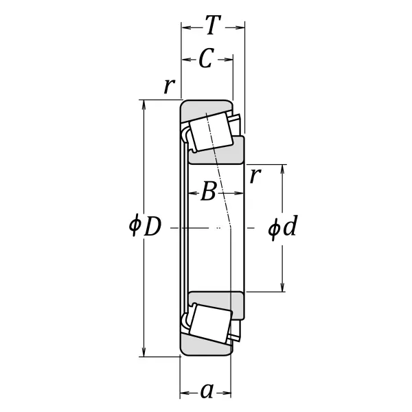
Boundary Dimensions

d 130 mm Bore diameter
D 280 mm Outside diameter
T 63.75 mm Total width
B 58 mm Width of inner ring
C 49 mm Width of outer ring
Cup r (min.) 4 mm Chamfer dimension of outer ring (Cup)
Cone r (min.) 5 mm Chamfer dimension of inner ring (Cone)

Basic Load Ratings

Cr 795000 N Basic dynamic load rating
C0r 820000 N Basic static load rating

Speeds

Grease 1300 min-1 Grease lubrication
Oil (Oil-bath) 1800 min-1 Oil-bath lubrication

a 52.7 mm Effective load center

Similar to product

HR30326J